| Sign In | Join Free | My gimpguru.org |
|
Brand Name : Sysolution
Model Number : D70-A8S
Place of Origin : China
MOQ : 1
Payment Terms : T/T,PayPal
Delivery Time : 2-3 working days
Price : Negotiation
Certification : RoHS,CE-EMC
Packaging Details : carton box
Supply Ability : 30 units per week
Output : 2 120PIN output
Operating Voltage : DC3.5-5.5V
Operating Current : 0.6A
Rated Power : 3W
Operating temperature : -20℃ - +75℃
Storage temperature : -25℃- +125℃
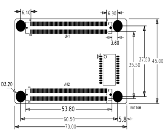
Size : 70mm*45mm
Wet weight : 18.3g
D70-A8S is a mini-size receiving card launched by Xixun Technology.uses 120 Pin high-precision interfaces, and supports 32 groups of RGB parallel data at most. Carrying up to 256*512 pixels, with strong processing power, super stable performance and super cost- effective.
Characteristics:
| Three line in parallel(RGB) | Maxi load(pix) | Brightness correction load (pixels) | Chroma correction load(pixels) |
| 32 group | 256*512 | 256*512 | 256*352 |
| Three line in parallel(RGB) | Maxi load(pix) | Brightness correction load (pixels) | Chroma correction load(pixels) |
| 32 group | 256*512 | 256*512 | 256*352 |
| Function | Note |
| Improved display effect |
|
| Improved operation |
|
| Hardware Stability |
Receiving card hot backup (customized) : The devices connected to receiving cards work in active/standby mode to improve device reliability. At any given time, only the active device is running. When the active device is faulty, the standby device works to ensure the normal display of the screen.
c. Voltage detection: Detecting the operating voltage of the receiving card. d. Temperature detection: Detects the operating temperature of the receiving card. e. Power supply detection: Supports power supply detection. f. Reset: After the online hardware upgrade is complete, the receiving card can restart the online hardware. |
| Software Intelligence |
|
32 Parallel Data Interface Definitions

JH1 Definition
| Directions For Use | Definition | Pin | Pin | Definition | Directions For Use |
| GND | 1 | 2 | GND | ||
| LCD data signal | EXT_LCD_SDA | 9 | 10 | NC | |
| LCD back light signal 1 | EXT_LCD_BL0 | 11 | 12 | NC | |
| LCD back light signal 2 | EXT_LCD_BL1 | 13 | 14 | NC | |
| Liquid crystal control button | EXT_LCD_KEY | 15 | 16 | NC | |
| Extension interface | RFU1 | 17 | 18 | NC | |
| RFU2 | 19 | 20 | 3.3V_LED | 3.3V Aux output | |
| GND | 21 | 22 | |||
| NC | 23 | 24 | NC | ||
| GND | 25 | 26 | GND | ||
| G17 | 27 | 28 | R17 | ||
| R18 | 29 | 30 | B17 | ||
| B18 | 31 | 32 | G18 | ||
| G19 | 33 | 34 | R19 | ||
| R20 | 35 | 36 | B19 | ||
| B20 | 37 | 38 | G20 | ||
| GND | 39 | 40 | GND | ||
| G21 | 41 | 42 | R21 | ||
| R22 | 43 | 44 | B21 | ||
| B22 | 45 | 46 | G22 | ||
| G23 | 47 | 48 | R23 | ||
| R24 | 49 | 50 | B23 | ||
| B24 | 51 | 52 | G24 | ||
| GND | 53 | 54 | GND | ||
| G25 | 55 | 56 | R25 | ||
| R26 | 57 | 58 | B25 | ||
| B26 | 59 | 60 | G26 | ||
| G27 | 61 | 62 | R27 | ||
| R28 | 63 | 64 | B27 | ||
| B28 | 65 | 66 | G28 | ||
| GND | 67 | 68 | GND | ||
| G29 | 69 | 70 | R29 | ||
| R30 | 71 | 72 | B29 | ||
| B30 | 73 | 74 | G30 | ||
| G31 | 75 | 76 | R31 | ||
| R32 | 77 | 78 | B31 | ||
| B32 | 79 | 80 | G32 | ||
| GND | 81 | 82 | GND | ||
| RFU4 | 83 | 84 | RFU3 | ||
| RFU6 | 85 | 86 | RFU5 | ||
| RFU8 | 87 | 88 | RFU7 | ||
| RFU10 | 89 | 90 | RFU9 | ||
| RFU12 | 91 | 92 | RFU11 | ||
| RFU14 | 93 | 94 | RFU13 | ||
| GND | 95 | 96 | GND | ||
| RFU16 | 97 | 98 | RFU15 | ||
| RFU18 | 99 | 100 | RFU17 | ||
| NC | 101 | 102 | NC | ||
| NC | 103 | 104 | NC | ||
| NC | 105 | 106 | NC | ||
| NC | 107 | 108 | NC | ||
| GND | 109 | 110 | GND | ||
| GND | 111 | 112 | GND | ||
| NC | 113 | 114 | NC | ||
| VCC | 115 | 116 | VCC | ||
| VCC | 117 | 118 | VCC | ||
| VCC | 119 | 120 | VCC | ||
| NC | 121 | 122 | NC |
JH2 Definition:
| Directions For Use | Definiton | Pin | Pin | Definiton | Directions For Use |
| NC | 1 | 2 | NC | ||
| NC | 3 | 4 | NC | ||
| NC | 5 | 6 | NC | ||
| NC | 7 | 8 | NC | ||
| Gigabit | P0 MXA+ | 9 | 10 | P1 MXA+ | Gigabit |
| P0 MXA- | 11 | 12 | P1 MXA- | ||
| NC | 13 | 14 | NC | ||
| P0 MXB+ | 15 | 16 | P1 MXB+ | ||
| P0 MXB- | 17 | 18 | Port2_B- | ||
| NC | 19 | 20 | NC | ||
| P0 MXC+ | 21 | 22 | P1 MXC+ | ||
| P0 MXC- | 23 | 24 | P1 MXC- | ||
| NC | 25 | 26 | NC | ||
| P0 MXD+ | 27 | 28 | P1 MXD+ | ||
| P0 MXD- | 29 | 30 | P1 MXD- | ||
| NC | 31 | 32 | NC | ||
| NC | 33 | 34 | NC | ||
| Test button | TEST_INPUT_KEY | 35 | 36 | STA_LED- | Running indicator (active low) |
| GND | 37 | 38 | GND | ||
| Line decoding signal | OUTA | 39 | 40 | OUTCLK_1 | The first shift clock output |
| Line decoding signal | OUTB | 41 | 42 | OUTCLK_2 | Second shift clock output |
| Line decoding signal | OUTC | 43 | 44 | OUTLAT | Latch signal output |
| Line decoding signal | OUTD | 45 | 46 | OUTCLOSE | Blanking control signal |
| Line decoding signal | OUTE | 47 | 48 | OUTEN_R | According to enable(OE_R,G,B Use when not controlled separately OE_R) |
| According to enable(OE_R,G,B Use when not controlled separately OE_R) | OUTEN_B | 49 | 50 | OUTEN_G | |
| GND | 51 | 52 | GND | ||
| G1 | 53 | 54 | R1 | ||
| R2 | 55 | 56 | B1 | ||
| B2 | 57 | 58 | G2 | ||
| G3 | 59 | 60 | R3 | ||
| R4 | 61 | 62 | B3 | ||
| B4 | 63 | 64 | G4 | ||
| GND | 65 | 66 | GND | ||
| G5 | 67 | 68 | R5 | ||
| R6 | 69 | 70 | B5 | ||
| B6 | 71 | 72 | G6 | ||
| G7 | 73 | 74 | R7 | ||
| R8 | 75 | 76 | B7 | ||
| B8 | 77 | 78 | G8 | ||
| GND | 79 | 80 | GND | ||
| G9 | 81 | 82 | R9 | ||
| R10 | 83 | 84 | B9 | ||
| B10 | 85 | 86 | G10 | ||
| G11 | 87 | 88 | R11 | ||
| R12 | 89 | 90 | B11 | ||
| B12 | 91 | 92 | G12 | ||
| GND | 93 | 94 | GND | ||
| G13 | 95 | 96 | R13 | ||
| R14 | 97 | 98 | B13 | ||
| B14 | 99 | 100 | G14 | ||
| G15 | 101 | 102 | R15 | ||
| R16 | 103 | 104 | B15 | ||
| B16 | 105 | 106 | G16 | ||
| GND | 107 | 108 | GND | ||
| NC | 109 | 110 | NC | ||
| NC | 111 | 112 | NC | ||
| NC | 113 | 114 | NC | ||
| NC | 115 | 116 | NC | ||
| GND | 117 | 118 | GND | ||
| GND | 119 | 120 | GND | ||
| NC | 121 | 122 | NC |
96 Groups of serial data interfaces

JH1 Definition:
| Direction For Use | Definition | Pin | Pin | Definition | Direction For Use |
| GND | 1 | 2 | GND | ||
| CS signal of the LCD | EXT_LCD_CS | 3 | 4 | NC | |
| RS signal of the LCD | EXT_LCD_RS | 5 | 6 | NC | |
| LCD clock signal | EXT_LCD_SCL | 7 | 8 | NC | |
| LCD data singal | EXT_LCD_SDA | 9 | 10 | NC | |
| LCD backlight signal 1 | EXT_LCD_BL0 | 11 | 12 | NC | |
| LCD backlight signal 2 | EXT_LCD_BL1 | 13 | 14 | NC | |
| Liquid crystal control button | EXT_KEY | 15 | 16 | NC | |
| Extended function interface | RFU1 | 17 | 18 | NC | |
| RFU2 | 19 | 20 | 3.3V_LED | 3.3V Output | |
| GND | 21 | 22 | |||
| NC | 23 | 24 | NC | ||
| GND | 25 | 26 | GND | ||
| Data49 | 27 | 28 | Data48 | ||
| Data51 | 29 | 30 | Data50 | ||
| Data53 | 31 | 32 | Data52 | ||
| Data55 | 33 | 34 | Data54 | ||
| Data57 | 35 | 36 | Data56 | ||
| Data59 | 37 | 38 | Data58 | ||
| GND | 39 | 40 | GND | ||
| Data61 | 41 | 42 | Data60 | ||
| Data63 | 43 | 44 | Data62 | ||
| Data65 | 45 | 46 | Data64 | ||
| Data67 | 47 | 48 | Data66 | ||
| Data69 | 49 | 50 | Data68 | ||
| Data71 | 51 | 52 | Data70 | ||
| GND | 53 | 54 | GND | ||
| Data73 | 55 | 56 | Data72 | ||
| Data75 | 57 | 58 | Data74 | ||
| Data78 | 59 | 60 | Data76 | ||
| Data77 | 61 | 62 | Data78 | ||
| Data79 | 63 | 64 | Data80 | ||
| Data81 | 65 | 66 | Data82 | ||
| GND | 67 | 68 | GND | ||
| Data85 | 69 | 70 | Data84 | ||
| Data87 | 71 | 72 | Data86 | ||
| Data89 | 73 | 74 | Data88 | ||
| Data91 | 75 | 76 | Data90 | ||
| Data93 | 77 | 78 | Data92 | ||
| Data95 | 79 | 80 | Data94 | ||
| GND | 81 | 82 | GND | ||
| Extended function interface | RFU4 | 83 | 84 | RFU3 | Extended function interface |
| RFU6 | 85 | 86 | RFU5 | ||
| RFU8 | 87 | 88 | RFU7 | ||
| RFU10 | 89 | 90 | RFU9 | ||
| RFU12 | 91 | 92 | RFU11 | ||
| RFU14 | 93 | 94 | RFU13 | ||
| GND | 95 | 96 | GND | ||
| Extended function interface | RFU16 | 97 | 98 | RFU15 | Extended function interface |
| RFU18 | 99 | 100 | RFU17 | ||
| NC | 101 | 102 | NC | ||
| NC | 103 | 104 | NC | ||
| NC | 105 | 106 | NC | ||
| NC | 107 | 108 | NC | ||
| GND | 109 | 110 | GND | ||
| GND | 111 | 112 | GND | ||
| NC | 113 | 114 | NC | ||
| 3.3V to 5.5V power supply VCC is recommended | VCC | 115 | 116 | VCC | 3.3V to 5.5V power supply VCC is recommended |
| VCC | 117 | 118 | VCC | ||
| VCC | 119 | 120 | VCC |
JH2 Definition:
| Directions For Use | Definition | Pin | Pin | Definition | Directions For Use |
| Enclosure grounding | Eth_Sheid | 1 | 2 | Eth_Sheild | Enclosure grounding |
| Enclosure grounding | Eth_Sheid | 3 | 4 | Eth_Sheild | Enclosure grounding |
| NC | 5 | 6 | NC | ||
| NC | 7 | 8 | NC | ||
| Gigabit | P0 MXA- | 9 | 10 | P1 MXA- | Gigabit |
| P0 MXA+ | 11 | 12 | P1 MXA+ | ||
| NC | 13 | 14 | NC | ||
| P0 MXB+ | 15 | 16 | P1 MXB+ | ||
| P0 MXB- | 17 | 18 | Port2_B- | ||
| NC | 19 | 20 | NC | ||
| P0 MXC+ | 21 | 22 | P1 MXC- | ||
| P0 MXC- | 23 | 24 | P1 MXC+ | ||
| NC | 25 | 26 | NC | ||
| P0 MXD+ | 27 | 28 | P1 MXD+ | ||
| P0 MXD- | 29 | 30 | P1 MXD- | ||
| NC | 31 | 32 | NC | ||
| NC | 33 | 34 | NC | ||
| Test buttion | TEST_INPUT_KEY | 35 | 36 | STA_LED- | Running indicator (active low) |
| GND | 37 | 38 | GND | ||
| Line decoding signal | A | 39 | 40 | CLK_1 | The first shift clock output |
| Line decoding signal | B | 41 | 42 | CLK_2 | Second shift clock output |
| Line decoding signal | C | 43 | 44 | LAT | Latch signal output |
| Line decoding signal | D | 45 | 46 | CTRL | Blanking control signal |
| Line decoding signal | E | 47 | 48 | OE_R | According to enable(If OE_R, G, and B are not controlled separately, use OE_R) |
| According to enable(G, and B are not controlled separately, use OE_R) | OE_B | 49 | 50 | OE_G | |
| GND | 51 | 52 | GND | ||
| Data1 | 53 | 54 | Data0 | ||
| Data3 | 55 | 56 | Data2 | ||
| Data5 | 57 | 58 | Data4 | ||
| Data7 | 59 | 60 | Data6 | ||
| Data9 | 61 | 62 | Data8 | ||
| Data11 | 63 | 64 | Data10 | ||
| GND | 65 | 66 | GND | ||
| Data13 | 67 | 68 | Data12 | ||
| Data15 | 69 | 70 | Data14 | ||
| Data17 | 71 | 72 | Data16 | ||
| Data19 | 73 | 74 | Data18 | ||
| Data21 | 75 | 76 | Data20 | ||
| Data23 | 77 | 78 | Data22 | ||
| GND | 79 | 80 | GND | ||
| Data25 | 81 | 82 | Data24 | ||
| Data27 | 83 | 84 | Data26 | ||
| Data29 | 85 | 86 | Data28 | ||
| Data31 | 87 | 88 | Data30 | ||
| Data33 | 89 | 90 | Data32 | ||
| Data35 | 91 | 92 | Data34 | ||
| GND | 93 | 94 | GND | ||
| Data37 | 95 | 96 | Data36 | ||
| Data39 | 97 | 98 | Data38 | ||
| Data41 | 99 | 100 | Data40 | ||
| Data43 | 101 | 102 | Data42 | ||
| Data45 | 103 | 104 | Data44 | ||
| Data47 | 105 | 106 | Data46 | ||
| GND | 107 | 108 | GND | ||
| NC | 109 | 110 | NC | ||
| NC | 111 | 112 | NC | ||
| NC | 113 | 114 | NC | ||
| NC | 115 | 116 | NC | ||
| GND | 117 | 118 | GND | ||
| GND | 119 | 120 | GND | ||
| NC | 121 | 122 | NC |
JH2 Definition:
Extended function reference design
| Extension interface | The smart module interface is recommended | Flash interface of the indicator board is recommended | Note |
| RFU1 | Reserved | Reserved | A reserved pin connected to the MCU |
| RFU2 | Reserved | Reserved | A reserved pin connected to the MCU |
| RFU3 | HUB_CODE0 | HUB_CODE0 | Flash control interface 1 |
| RFU4 | HUB_SPI_CLK | HUB_SPI_CLK | Clock signal of the serial interface |
| RFU5 | HUB_CODE1 | HUB_CODE1 | Flash control interface 2 |
| RFU6 | HUB_SPI_CS | HUB_SPI_CS | The CS signal of the serial interface |
| RFU7 | HUB_CODE2 | HUB_CODE2 | Flash control interface 3 |
| RFU8 | / | HUB_SPI_MOSI | Indicator board Flash stores data input |
| HUB_UART_TX | / | Intelligent module TX signal | |
| RFU9 | HUB_CODE3 | HUB_CODE3 | Flash control interface 4 |
| RFU10 | / | HUB_SPI_MISO | Flash on the indicator board stores data output |
| HUB_UART_RX | / | Intelligent module RX signal | |
| RFU11 | HUB_H164_CSD | HUB_H164_CSD | 74HC164 data signal |
| RFU12 | / | / | / |
| RFU13 | HUB_H164_CLK | HUB_H164_CLK | 74HC164 clock signal |
| RFU14 | POWER_STA1 | POWER_STA1 | Dual power supply detection signal 1 |
| RFU15 | MS_DATA | MS_DATA | Dual card backup connection signal |
| RFU16 | POWER_STA2 | POWER_STA2 | Dual power supply detection signal 2 |
| RFU17 | MS_ID | MS_ID | Dual card backup ID signal |
| RFU18 | HUB_CODE4 | HUB_CODE4 | Flash control interface 5
|
Extended function reference design
Indicator Description:
| Indicator | Position | Status | Note |
| Indicator light (green) | U6 | Even slow flash | the receiving card works properly, the network cable is connected properly, and there is no DVI signal input |
| Even flash | The receiving card works normally, the network cable is connected normally, and DVI signal is input | ||
| Often off | No gigabit network signal | ||
| Blink for three | The receiving card works normally, the network cable is connected, and DVI signal is input | ||
| Status indicator (red) | U5 | Normally on | The power supply is normal |
Dimension:


| Electrical parameters | Input voltage | DC3.5-5.5V |
| Rated current | 0.6A | |
| Rated power | 3W | |
| Work environment | Work temperature | -20℃ - 75℃ |
| Work humidity | 10%RH-90%RH | |
| Storage environment | Temperature | -25℃~125℃ |
| Board size | 70mmX45mm | |
| Net weight | 18.3g | |
| Authentication information | Complies with RoHS standards and CE-EMC standards | |
|
|
Sysolution receiving card D70-A8S, for fine pitch led modules,led video wall Images |